2024 Vol. 44, No. 5
Display Method:
2024, 44(5): 051001.
doi: 10.11883/bzycj-2023-0349
Abstract:
In order to explore the effect of the aspect ratio of rectangular tube on the propagation of the spinning detonation under the limiting detonation propagating conditions, the structure of the three-dimensional gas-phase spinning detonation wave and its propagation modes in rectangular cross-section tubes are numerically investigated based on Euler equations with a 5th-order WENO finite difference scheme and the two-step global reaction model. A linear stability theory of planar detonation wave based on the normal mode method is firstly adopted to examine the chemical reaction parameters for numerical simulations and then several cases with different aspect ratios in cross-section of rectangular tube are investigated to study the structure and propagation mode of three-dimensional gaseous spinning detonation waves. By recording motions of triple lines, flow-field distributions and high-pressure imprint of detonation wave under different sizes of tube cross-section, the effect of cross-sectional geometry on the stable propagation of gaseous detonation under the limiting detonation propagating condition is revealed. The results show that the spinning detonation propagation can be maintained within a certain range of small tube cross-section size, through the movements of horizontal and vertical triple lines and an oblique triple line that is produced by interaction between both horizontal and vertical triple lines. For a square tube with 1 of aspect ratio in cross-section, the high-pressure imprint of spinning detonation on the wall forms the helical strip pattern. With the increase of the aspect ratio of the cross-section size of the tube, the pattern of a high-pressure imprint formed by the spinning detonation on the channel wall varies from the strip structure to a dotted distribution structure, the trajectory of the oblique triple line on the wave front gradually develops from the circular motion in a single direction to a complex trajectory with varying direction. When the aspect ratio is further increased, there is a tendency for the three-dimensional spinning detonation wave to eventually degenerate into a two-dimensional single-head detonation wave structure.
In order to explore the effect of the aspect ratio of rectangular tube on the propagation of the spinning detonation under the limiting detonation propagating conditions, the structure of the three-dimensional gas-phase spinning detonation wave and its propagation modes in rectangular cross-section tubes are numerically investigated based on Euler equations with a 5th-order WENO finite difference scheme and the two-step global reaction model. A linear stability theory of planar detonation wave based on the normal mode method is firstly adopted to examine the chemical reaction parameters for numerical simulations and then several cases with different aspect ratios in cross-section of rectangular tube are investigated to study the structure and propagation mode of three-dimensional gaseous spinning detonation waves. By recording motions of triple lines, flow-field distributions and high-pressure imprint of detonation wave under different sizes of tube cross-section, the effect of cross-sectional geometry on the stable propagation of gaseous detonation under the limiting detonation propagating condition is revealed. The results show that the spinning detonation propagation can be maintained within a certain range of small tube cross-section size, through the movements of horizontal and vertical triple lines and an oblique triple line that is produced by interaction between both horizontal and vertical triple lines. For a square tube with 1 of aspect ratio in cross-section, the high-pressure imprint of spinning detonation on the wall forms the helical strip pattern. With the increase of the aspect ratio of the cross-section size of the tube, the pattern of a high-pressure imprint formed by the spinning detonation on the channel wall varies from the strip structure to a dotted distribution structure, the trajectory of the oblique triple line on the wave front gradually develops from the circular motion in a single direction to a complex trajectory with varying direction. When the aspect ratio is further increased, there is a tendency for the three-dimensional spinning detonation wave to eventually degenerate into a two-dimensional single-head detonation wave structure.
2024, 44(5): 051101.
doi: 10.11883/bzycj-2023-0328
Abstract:
Aircraft fuel tanks, marine liquid tanks, oil liquid storage tanks, and other types of liquid filled structures may be threatened by blast waves, projectile penetration, and other impact loads in engineering practice. The dynamic response of the liquid filled structure under impact load is affected by various factors such as the characteristics of the load, the configuration of the structure, and the way of liquid filling. Accordingly, the protection mechanism of the liquid filled structure against various types of shock loads involves the fluid-solid interaction of multiphase media, wave propagation in different media, cavitation of liquid media, dynamic mechanical properties of the structure, and several other scientific issues. In this paper, the dynamic response and protection mechanism of the liquid filled structures under different impact loads are reviewed, the typical forms of the liquid filled structures in engineering are summarized, and the dynamic response processes, damage modes, load dissipation processes, energy conversion and absorption processes of various types of the liquid filled structures under the loads of blast shock wave, projectile penetration and their combined effects are analyzed. Furthermore, the impact dynamic response characteristics of the liquid filled structures under the action of blast shock wave loading, projectile penetration loading, and the combined loads of blast shock wave and high-speed fragmentation group are summarized. The protection mechanisms of the liquid filled structures against various types of impact loads are summarized from the perspectives of attenuating and dissipating loads, as well as the energy transformation and conversion. In the end, the prospects of the investigation on anti-impact characteristics of the liquid filled structures are described from the aspects of dynamic response and protection characteristics of the multi-cell liquid filled structures, mechanisms for destruction of the liquid filled structures by combined loads, efficient numerical computation methods, as well as the dynamic response and protection mechanism of the liquid filled structures made of new materials.
Aircraft fuel tanks, marine liquid tanks, oil liquid storage tanks, and other types of liquid filled structures may be threatened by blast waves, projectile penetration, and other impact loads in engineering practice. The dynamic response of the liquid filled structure under impact load is affected by various factors such as the characteristics of the load, the configuration of the structure, and the way of liquid filling. Accordingly, the protection mechanism of the liquid filled structure against various types of shock loads involves the fluid-solid interaction of multiphase media, wave propagation in different media, cavitation of liquid media, dynamic mechanical properties of the structure, and several other scientific issues. In this paper, the dynamic response and protection mechanism of the liquid filled structures under different impact loads are reviewed, the typical forms of the liquid filled structures in engineering are summarized, and the dynamic response processes, damage modes, load dissipation processes, energy conversion and absorption processes of various types of the liquid filled structures under the loads of blast shock wave, projectile penetration and their combined effects are analyzed. Furthermore, the impact dynamic response characteristics of the liquid filled structures under the action of blast shock wave loading, projectile penetration loading, and the combined loads of blast shock wave and high-speed fragmentation group are summarized. The protection mechanisms of the liquid filled structures against various types of impact loads are summarized from the perspectives of attenuating and dissipating loads, as well as the energy transformation and conversion. In the end, the prospects of the investigation on anti-impact characteristics of the liquid filled structures are described from the aspects of dynamic response and protection characteristics of the multi-cell liquid filled structures, mechanisms for destruction of the liquid filled structures by combined loads, efficient numerical computation methods, as well as the dynamic response and protection mechanism of the liquid filled structures made of new materials.
2024, 44(5): 051201.
doi: 10.11883/bzycj-2023-0218
Abstract:
The dynamic tensile spallation damage caused by shock wave reflection on the free surface of target is one of the typical damage modes of materials. The initial microstructure of materials, the magnitude and strain rate of impact loading, temperature and other factors directly affect the spallation damage evolution process in materials. The change of free surface velocity c at the target indirectly reflects the evolution process of spall damage in materials. Regarding the study of physical model of spallation damage, only limited literatures are available on using suitable spallation damage model to simulate the free surface velocity profile of target under different impact loading waveforms. The relationship between loading waveforms and free surface velocity profile as well as the evolution process of spallation damage were mainly investigated by means of experiments. Considering that both the shear viscosity coefficient and the hardening coefficient are the basic parameters of the material, the calculation of the initial damage parameters of the damage model is now obtained by analyzing the relationship between the spall strength, the loading strain rate and the initial damage parameter of the damage model. The initial damage parameter of the damage model is effectively associated with the loading strain rate, and the programmed automatic calculation of the initial damage parameter under different loading strain rate is realized. On this basis, not only the free surface velocity profiles of spallation tests of aluminum materials loaded by square wave, triangular wave and Taylor wave can be well simulated, the calculated spall strengths and spall plate thicknesses are also consistent with the tests results. In addition, the relationship between the distribution of initial damage, spall strength and loading strain rate at different positions in the target is further anayzed. Consequently, compared with the existing damage model, the new method not only further improves the existing damage model, but also improves the validity of the calculation results. At the same time, it also provides ideas for improving other spall damage models.
The dynamic tensile spallation damage caused by shock wave reflection on the free surface of target is one of the typical damage modes of materials. The initial microstructure of materials, the magnitude and strain rate of impact loading, temperature and other factors directly affect the spallation damage evolution process in materials. The change of free surface velocity c at the target indirectly reflects the evolution process of spall damage in materials. Regarding the study of physical model of spallation damage, only limited literatures are available on using suitable spallation damage model to simulate the free surface velocity profile of target under different impact loading waveforms. The relationship between loading waveforms and free surface velocity profile as well as the evolution process of spallation damage were mainly investigated by means of experiments. Considering that both the shear viscosity coefficient and the hardening coefficient are the basic parameters of the material, the calculation of the initial damage parameters of the damage model is now obtained by analyzing the relationship between the spall strength, the loading strain rate and the initial damage parameter of the damage model. The initial damage parameter of the damage model is effectively associated with the loading strain rate, and the programmed automatic calculation of the initial damage parameter under different loading strain rate is realized. On this basis, not only the free surface velocity profiles of spallation tests of aluminum materials loaded by square wave, triangular wave and Taylor wave can be well simulated, the calculated spall strengths and spall plate thicknesses are also consistent with the tests results. In addition, the relationship between the distribution of initial damage, spall strength and loading strain rate at different positions in the target is further anayzed. Consequently, compared with the existing damage model, the new method not only further improves the existing damage model, but also improves the validity of the calculation results. At the same time, it also provides ideas for improving other spall damage models.
2024, 44(5): 052101.
doi: 10.11883/bzycj-2023-0220
Abstract:
To investigate the effects of the inlet equivalence ratio distribution on the performance of a rotating detonation combustor (RDC), the radial or circumferential function model of equivalence ratio at the entrance of the RDC was established. The distribution function of component mass fraction in radial or circumferential direction was obtained by substituting the function model of equivalence ratio into the function of component mass fraction and equivalence ratio. The distribution function of entry boundary components was constructed by the user-defined function tool in the Fluent code. A three-dimensional transient Euler equation was employed to simulate the propagation process and flow field characteristics of detonation waves in a C10H22/air RDC, and the characteristics parameters of the detonation waves and RDC were compared under different equivalence-ratio distributions. The results show that the uneven distribution of the inlet equivalence ratio will affect the characteristics of the detonation waves. When the equivalence ratio ranges from 0.4 to 1.6 and is not uniformly distributed along the radial direction, the height of the detonation wave decreases with the increase of equivalence ratio at the midline of the inlet surface. When the equivalence ratio ranges from 0.4 to 1.6 and the distribution is non-uniform in the circumferential direction, the height of the detonation wave is almost not affected with the increase of the number of changing periods. The uneven distribution of equivalence ratio will weaken the pressure-gain effect and temperature rise effect of the RDC, and the influence of the uneven distribution of equivalence ratio along the radial direction is more obvious than that along the circumferential direction. In the RDC, the induction and reactant region of detonation wave is not strictly behind the leading shock wave, but is located at the oblique rear of the leading shock wave, and under the influence of curvature, the leading shock wave propagates along the circumference of the middle diameter cylinder near the outer wall of the RDC.
To investigate the effects of the inlet equivalence ratio distribution on the performance of a rotating detonation combustor (RDC), the radial or circumferential function model of equivalence ratio at the entrance of the RDC was established. The distribution function of component mass fraction in radial or circumferential direction was obtained by substituting the function model of equivalence ratio into the function of component mass fraction and equivalence ratio. The distribution function of entry boundary components was constructed by the user-defined function tool in the Fluent code. A three-dimensional transient Euler equation was employed to simulate the propagation process and flow field characteristics of detonation waves in a C10H22/air RDC, and the characteristics parameters of the detonation waves and RDC were compared under different equivalence-ratio distributions. The results show that the uneven distribution of the inlet equivalence ratio will affect the characteristics of the detonation waves. When the equivalence ratio ranges from 0.4 to 1.6 and is not uniformly distributed along the radial direction, the height of the detonation wave decreases with the increase of equivalence ratio at the midline of the inlet surface. When the equivalence ratio ranges from 0.4 to 1.6 and the distribution is non-uniform in the circumferential direction, the height of the detonation wave is almost not affected with the increase of the number of changing periods. The uneven distribution of equivalence ratio will weaken the pressure-gain effect and temperature rise effect of the RDC, and the influence of the uneven distribution of equivalence ratio along the radial direction is more obvious than that along the circumferential direction. In the RDC, the induction and reactant region of detonation wave is not strictly behind the leading shock wave, but is located at the oblique rear of the leading shock wave, and under the influence of curvature, the leading shock wave propagates along the circumference of the middle diameter cylinder near the outer wall of the RDC.
2024, 44(5): 052201.
doi: 10.11883/bzycj-2023-0094
Abstract:
A high-pressure-gas-driving blast wave simulation shock tube, commonly composed of driving section, throat section and expansion section, is an ideal platform for explosion damage effect research of long positive shock pressure duration time in the laboratory, as the ability of generating simulated shock wave with similar characteristics to real explosion wave. One of the core problems in the design of blast simulation shock tubes, is the control method of the simulated wave attenuation process by modifying the variable section structure and the driving section shape of the shock tube. In this article, a numerical calculation model of one-dimensional flow in the shock tube is established based on the explosion simulation shock tube in the laboratory, a similarity evaluation method of simulated shock wave and standard explosion wave in a shock tube based on determination coefficient is proposed referring to the statistical theory. Then, based on the flow characteristics of the variable section shock tube, the influence of the shape of the driving section on the shock wave attenuation history is studied. The results show that, it is feasible to acquire simulated wave with approximate exponential attenuation history of real blast wave, by using variable cross-section driving tube, of which the section diameter decreases with the growth of distance to the throat, optimizing the variable cross-section structure due to the determination coefficient, and controlling the motion property of expansion and compression wave in the shock tube.
A high-pressure-gas-driving blast wave simulation shock tube, commonly composed of driving section, throat section and expansion section, is an ideal platform for explosion damage effect research of long positive shock pressure duration time in the laboratory, as the ability of generating simulated shock wave with similar characteristics to real explosion wave. One of the core problems in the design of blast simulation shock tubes, is the control method of the simulated wave attenuation process by modifying the variable section structure and the driving section shape of the shock tube. In this article, a numerical calculation model of one-dimensional flow in the shock tube is established based on the explosion simulation shock tube in the laboratory, a similarity evaluation method of simulated shock wave and standard explosion wave in a shock tube based on determination coefficient is proposed referring to the statistical theory. Then, based on the flow characteristics of the variable section shock tube, the influence of the shape of the driving section on the shock wave attenuation history is studied. The results show that, it is feasible to acquire simulated wave with approximate exponential attenuation history of real blast wave, by using variable cross-section driving tube, of which the section diameter decreases with the growth of distance to the throat, optimizing the variable cross-section structure due to the determination coefficient, and controlling the motion property of expansion and compression wave in the shock tube.
2024, 44(5): 052901.
doi: 10.11883/bzycj-2023-0259
Abstract:
The solid rocket motor is the only power source of the system in the rocket sled test, the traditional monorail rocket sled generally consists of the rocket motor, the motor mounting components, the reinforced longitudinal beam and the slippers, in which only the test object and the motor charge are effective mass, while the rest of the structures are additional mass, so reducing the additional mass can improve the thrust-to-weight ratio of the rocket sled system. In response to the problem of excessive mass added to the components of the conventional monorail rocket sled system, an integrated rocket sled and motor structure consisting of motor and slippers is proposed. The three-dimensional Euler-Bernoulli beam unit is used to discretize the rocket sled system and obtain the optimal distribution position of the slippers, then it is found that the vibration is minimized when the middle slipper is located between the front slipper and the back slipper. Three options for connecting the slipper to the motor housing are designed: in the first option the slipper is wrapped and connected to the motor housing by serrated welds; in the second one the motor housing is stacked directly on the slipper body; and in the third one the motor housing is connected to the slipper by supported transition plates. A comparative analysis of the on-rail safety of the latter two options is performed using the sled-rail coupling dynamics method, which indicates that the mechanical environment of the integrated rocket sled is better when the sled slippers and the motor housing are connected by the supported plates as transition structures, and the additional mass of the system is reduced by 73% compared to that of the traditional monorail sled. Finally, the validation test of the integrated motor with sled validation test was implemented and the collected data were analyzed, showing that: the integrated motor with sled proposed in this paper is reasonable and feasible, and the motor vibration level is comparable to that of the traditional rocket sled.
The solid rocket motor is the only power source of the system in the rocket sled test, the traditional monorail rocket sled generally consists of the rocket motor, the motor mounting components, the reinforced longitudinal beam and the slippers, in which only the test object and the motor charge are effective mass, while the rest of the structures are additional mass, so reducing the additional mass can improve the thrust-to-weight ratio of the rocket sled system. In response to the problem of excessive mass added to the components of the conventional monorail rocket sled system, an integrated rocket sled and motor structure consisting of motor and slippers is proposed. The three-dimensional Euler-Bernoulli beam unit is used to discretize the rocket sled system and obtain the optimal distribution position of the slippers, then it is found that the vibration is minimized when the middle slipper is located between the front slipper and the back slipper. Three options for connecting the slipper to the motor housing are designed: in the first option the slipper is wrapped and connected to the motor housing by serrated welds; in the second one the motor housing is stacked directly on the slipper body; and in the third one the motor housing is connected to the slipper by supported transition plates. A comparative analysis of the on-rail safety of the latter two options is performed using the sled-rail coupling dynamics method, which indicates that the mechanical environment of the integrated rocket sled is better when the sled slippers and the motor housing are connected by the supported plates as transition structures, and the additional mass of the system is reduced by 73% compared to that of the traditional monorail sled. Finally, the validation test of the integrated motor with sled validation test was implemented and the collected data were analyzed, showing that: the integrated motor with sled proposed in this paper is reasonable and feasible, and the motor vibration level is comparable to that of the traditional rocket sled.
2024, 44(5): 053101.
doi: 10.11883/bzycj-2023-0228
Abstract:
Understanding the role of temperature rise in dynamic shear is of great significant, as it helps us to predict accurately the dynamic failure of materials and structures. In order to obtain the temperature rise and the distribution of temperature in the shear zone of TC11 titanium alloy, dynamic shear tests were conducted on the “flat-hat” shaped specimens of TC11 titanium alloy by using a split Hopkinson pressure bar. Based the high-speed infrared InSb detecting technology, the evolution of temperature rise in the shear zone with time was obtained. Theoretical analysis of the distribution of temperature rise in the shear zone with time and space is carried out by solving the one dimensional thermal conduction equation. The initiation and propagation of shear band and the relative distribution of temperature fields in the shear zone are obtained by FEM simulation analysis. It was found from the experimental results that the TC11 titanium alloy behaves brittlely under dynamic shearing. The fracture morphologies demonstrate that significant temperature rise occurs during dynamic shearing. The temperature rise test results demonstrate that the maximal temperature rise in the shear zone achieved 430 ℃. Furthermore, the loading rate plays insignificant effect on the temperature rise in the shear zone. The temperature rise in the shear zone is highly localized, the significant temperature rise distributes several micro-meters around the center of the shear zone, and the significant temperature rise maintains several tens of micro-seconds. The results of the theoretical analysis and FEM simulation demonstrate that the maximal temperature rise can achieve 751 ℃, and the distribution laws of the temperature are consistent with the experimental results. It is found from the experimental and FEM simulation results that the maximum temperature rise occurs at the time of failing of material, indicating that the temperature rise in the shear zone results from the highly localized shear deformation.
Understanding the role of temperature rise in dynamic shear is of great significant, as it helps us to predict accurately the dynamic failure of materials and structures. In order to obtain the temperature rise and the distribution of temperature in the shear zone of TC11 titanium alloy, dynamic shear tests were conducted on the “flat-hat” shaped specimens of TC11 titanium alloy by using a split Hopkinson pressure bar. Based the high-speed infrared InSb detecting technology, the evolution of temperature rise in the shear zone with time was obtained. Theoretical analysis of the distribution of temperature rise in the shear zone with time and space is carried out by solving the one dimensional thermal conduction equation. The initiation and propagation of shear band and the relative distribution of temperature fields in the shear zone are obtained by FEM simulation analysis. It was found from the experimental results that the TC11 titanium alloy behaves brittlely under dynamic shearing. The fracture morphologies demonstrate that significant temperature rise occurs during dynamic shearing. The temperature rise test results demonstrate that the maximal temperature rise in the shear zone achieved 430 ℃. Furthermore, the loading rate plays insignificant effect on the temperature rise in the shear zone. The temperature rise in the shear zone is highly localized, the significant temperature rise distributes several micro-meters around the center of the shear zone, and the significant temperature rise maintains several tens of micro-seconds. The results of the theoretical analysis and FEM simulation demonstrate that the maximal temperature rise can achieve 751 ℃, and the distribution laws of the temperature are consistent with the experimental results. It is found from the experimental and FEM simulation results that the maximum temperature rise occurs at the time of failing of material, indicating that the temperature rise in the shear zone results from the highly localized shear deformation.
2024, 44(5): 053102.
doi: 10.11883/bzycj-2023-0257
Abstract:
In order to obtain the physical and mechanical properties of NiTi alloys with different initial phase transition temperatures under high strain rates, the responses of NiTi alloys with different initial phase transition temperatures were systematically studied under quasi-static compression and tension at strain rate 10−3 s−1, quasi-isentropic compression at strain rate 105 s−1, and shock compression at strain rate 107 s−1. Dog-bone specimens and cylindrical rod specimens were used in the quasi-static tension and compression experiments, respectively. A series of quasi-isentropic compression and planar shock wave compression experiments were performed by using the pulsed power generator CQ-4, which can deliver pulsed currents with peak values of 3–4 MA and a rise time of 470–600 ns to short circuit loads. Velocities were measured by a photonic Doppler velocimetry (PDV) system with accuracies of 1%. The quasi-static loading stress-strain curves showed twice modulus changes for both the initial martensitic and initial austenitic NiTi alloys. The modulus changes were caused by crystal reorientation and plastic deformation of the martensitic NiTi alloy. In experiments of the initial austenitic phase, the modulus changes were caused by martensitic phase transition and plastic deformation after phase change. The Lagrangian sound speed increased continuously with the particle velocity for the initial martensitic NiTi alloy under quasi-isentropic loading. However, there are discontinuities in the sound speed curves for the initial austenite phase. The sound speed decreases intermittently from the transverse wave speed to the longitudinal wave speed and then increases linearly with the particle velocity. In shock experiments of initial martensitic NiTi alloy, a double-wave structure appeared at the free surface velocity of about 34 and 100 m/s for the initial sample temperature of 302 and 402 K, respectively. The martensite-austenite phase transition occurred during sample heating of the initial martensitic NiTi alloy. The inflection points on the velocity curve were caused by plastic yielding of martensitic and austenitic phases separately. For the initial austenite NiTi alloy, an obvious elastic-plastic transformation of austenite NiTi alloy was observed at a free surface velocity of approximately 260 m/s. The elastic limit of austenitic NiTi alloy increased from about 2 GPa to about 4 GPa with the increase of strain rate from about 105 s−1 to 107 s−1. The elastic limit decreased to 1.7 GPa at a strain rate of 107 s−1 with the initial sample temperature of 402 K. The results show that the elastic limit of NiTi alloy is greatly affected by temperature and strain rate.
In order to obtain the physical and mechanical properties of NiTi alloys with different initial phase transition temperatures under high strain rates, the responses of NiTi alloys with different initial phase transition temperatures were systematically studied under quasi-static compression and tension at strain rate 10−3 s−1, quasi-isentropic compression at strain rate 105 s−1, and shock compression at strain rate 107 s−1. Dog-bone specimens and cylindrical rod specimens were used in the quasi-static tension and compression experiments, respectively. A series of quasi-isentropic compression and planar shock wave compression experiments were performed by using the pulsed power generator CQ-4, which can deliver pulsed currents with peak values of 3–4 MA and a rise time of 470–600 ns to short circuit loads. Velocities were measured by a photonic Doppler velocimetry (PDV) system with accuracies of 1%. The quasi-static loading stress-strain curves showed twice modulus changes for both the initial martensitic and initial austenitic NiTi alloys. The modulus changes were caused by crystal reorientation and plastic deformation of the martensitic NiTi alloy. In experiments of the initial austenitic phase, the modulus changes were caused by martensitic phase transition and plastic deformation after phase change. The Lagrangian sound speed increased continuously with the particle velocity for the initial martensitic NiTi alloy under quasi-isentropic loading. However, there are discontinuities in the sound speed curves for the initial austenite phase. The sound speed decreases intermittently from the transverse wave speed to the longitudinal wave speed and then increases linearly with the particle velocity. In shock experiments of initial martensitic NiTi alloy, a double-wave structure appeared at the free surface velocity of about 34 and 100 m/s for the initial sample temperature of 302 and 402 K, respectively. The martensite-austenite phase transition occurred during sample heating of the initial martensitic NiTi alloy. The inflection points on the velocity curve were caused by plastic yielding of martensitic and austenitic phases separately. For the initial austenite NiTi alloy, an obvious elastic-plastic transformation of austenite NiTi alloy was observed at a free surface velocity of approximately 260 m/s. The elastic limit of austenitic NiTi alloy increased from about 2 GPa to about 4 GPa with the increase of strain rate from about 105 s−1 to 107 s−1. The elastic limit decreased to 1.7 GPa at a strain rate of 107 s−1 with the initial sample temperature of 402 K. The results show that the elastic limit of NiTi alloy is greatly affected by temperature and strain rate.
2024, 44(5): 053201.
doi: 10.11883/bzycj-2023-0241
Abstract:
By exploring the effect of mass parameter on the vibration displacement of beam members under air blast loading, an effective method was proposed to reduce the vibration displacement of beam members by increasing mass. An equivalent single degree of freedom (SDOF) system was used to analyze vibration displacement for beam members. The displacement formulas with mass parameter for flexible and rigid beam members in each stage under air blast loading were respectively established. These stages included elastic forced vibration, elastic free vibration, plastic forced vibration, plastic free vibration, and rebound vibration. Rectangular and circular sections were selected as typical cross sections of beam members, and 13 typical calculation cases with mass parameters ranging from 1.00 to 1.20 were designed. The vibration displacement-time history curves, maximum elastic displacement, maximum elastic-plastic displacement, and residual deformation were calculated and analyzed. Taking the data with a mass parameter value of 1.0 as the reference value, the displacement reduction rate of other calculation cases relative to the reference value could be obtained. The difference between the types of beam members for displacement reduction rate was further analyzed. The results are as follows. For flexible and rigid beam members subjected to air blast loading, increasing the cross-sectional area and considering only the mass parameter will result in a smaller reduction in vibration displacement. Therefore, the displacement should be analyzed according to the coupling effect of the mass parameter and additional stiffness parameter. For beam members with rectangular cross-sections, the reduction ranges of maximum elastic displacement, maximum elastic-plastic displacement, and residual deformation calculated from the coupled effect of mass parameter and stiffness parameter are about 4.75, 3.28, and 2.96 times that of mass parameter alone. For beams with circular cross-section, the data are 3.75, 2.56, and 2.32 times. These conclusions apply to both flexible beam members and rigid beam members, and there is no significant difference.
By exploring the effect of mass parameter on the vibration displacement of beam members under air blast loading, an effective method was proposed to reduce the vibration displacement of beam members by increasing mass. An equivalent single degree of freedom (SDOF) system was used to analyze vibration displacement for beam members. The displacement formulas with mass parameter for flexible and rigid beam members in each stage under air blast loading were respectively established. These stages included elastic forced vibration, elastic free vibration, plastic forced vibration, plastic free vibration, and rebound vibration. Rectangular and circular sections were selected as typical cross sections of beam members, and 13 typical calculation cases with mass parameters ranging from 1.00 to 1.20 were designed. The vibration displacement-time history curves, maximum elastic displacement, maximum elastic-plastic displacement, and residual deformation were calculated and analyzed. Taking the data with a mass parameter value of 1.0 as the reference value, the displacement reduction rate of other calculation cases relative to the reference value could be obtained. The difference between the types of beam members for displacement reduction rate was further analyzed. The results are as follows. For flexible and rigid beam members subjected to air blast loading, increasing the cross-sectional area and considering only the mass parameter will result in a smaller reduction in vibration displacement. Therefore, the displacement should be analyzed according to the coupling effect of the mass parameter and additional stiffness parameter. For beam members with rectangular cross-sections, the reduction ranges of maximum elastic displacement, maximum elastic-plastic displacement, and residual deformation calculated from the coupled effect of mass parameter and stiffness parameter are about 4.75, 3.28, and 2.96 times that of mass parameter alone. For beams with circular cross-section, the data are 3.75, 2.56, and 2.32 times. These conclusions apply to both flexible beam members and rigid beam members, and there is no significant difference.
2024, 44(5): 053202.
doi: 10.11883/bzycj-2023-0255
Abstract:
In order to study the load distribution and dynamic response of tunnel structures under underwater explosion, a 1/10 scaled tunnel model was designed and manufactured, and underwater explosion tests were conducted for three times.The pressure, impulse, and displacement of the tunnel model were studied. The results show that the shock wave produces a significant water surface truncation effect in the shallow water area, which reduces the impulse near the water surface. The experimental value of the peak pressure of the free field shock wave is in good agreement with the theoretical value, and the error is within 20%. The peak pressure on the front surface of the circular cross-section tunnel is about 1.626-1.716 times that of the free field, the peak pressure on the top surface is about 55.4%-65.2% of the free field, and the peak pressure on the back surface is about 25.5%-31.3% of the free field. The impulse time history curve under the action of underwater explosion shows a clear step shape, and each bubble pulsation is accompanied by a corresponding increase in impulse.The displacement analysis shows that the underwater explosion causes the vibration of the tunnel structure. The vibration process can be divided into three stages: the rapid deformation of the tunnel structure, the large amplitude vibration of the tunnel structure, and the tremor of the tunnel structure. The maximum displacement of the tunnel structure occurs during the large amplitude vibration of the tunnel structure.
In order to study the load distribution and dynamic response of tunnel structures under underwater explosion, a 1/10 scaled tunnel model was designed and manufactured, and underwater explosion tests were conducted for three times.The pressure, impulse, and displacement of the tunnel model were studied. The results show that the shock wave produces a significant water surface truncation effect in the shallow water area, which reduces the impulse near the water surface. The experimental value of the peak pressure of the free field shock wave is in good agreement with the theoretical value, and the error is within 20%. The peak pressure on the front surface of the circular cross-section tunnel is about 1.626-1.716 times that of the free field, the peak pressure on the top surface is about 55.4%-65.2% of the free field, and the peak pressure on the back surface is about 25.5%-31.3% of the free field. The impulse time history curve under the action of underwater explosion shows a clear step shape, and each bubble pulsation is accompanied by a corresponding increase in impulse.The displacement analysis shows that the underwater explosion causes the vibration of the tunnel structure. The vibration process can be divided into three stages: the rapid deformation of the tunnel structure, the large amplitude vibration of the tunnel structure, and the tremor of the tunnel structure. The maximum displacement of the tunnel structure occurs during the large amplitude vibration of the tunnel structure.
2024, 44(5): 054101.
doi: 10.11883/bzycj-2023-0187
Abstract:
In response to the problems of the lack of corresponding empirical formulas and the poor timeliness of simulation for the explosive shock tube, and to quickly obtain the peak pressure of the shock tube used in explosions, a four-layer back propagation (BP) neural network was established to predict the peak pressure in the experimental section of the shock tube. After verifying the grid independence, numerical simulation was used to calculate the peak pressure of the test section of the shock tube, and the simulation data were compared with the experimental data of the shock tube explosion, and the average relative error is 2.49%. After proving the accuracy of the numerical simulation values, the 195 sets of peak pressure obtained from the numerical simulation in the shock tube test section were used as the output layer, and the TNT dosage in the shock tube driving section, aspect ratio of the charge column, and explosion proportional distance were used as the input layer for BP neural network training. To speed up the neural network iterations and increase the prediction accuracy, Adam's algorithm was used as an optimization algorithm for neural network error gradient descent. The results show that the predicted results obtained through the trained neural network are basically consistent with the simulated values, and the average relative error between the predicted results and the numerical values is 3.26%. In contrast to the evaluation metrics obtained using multiple regression analysis (mean absolute error (MAE) of 480 and coefficient of determination (R2) of 0.58), the four-layer BP neural network obtains a MAE of 25.4 and an R2 of 0.99 for the validation set. The BP neural network model can reflect the mapping relationship between the peak pressure of the shock tube explosion and the influencing factors, and improve several times compared with the time required for numerical simulation, so it has the value of practical engineering applications.
In response to the problems of the lack of corresponding empirical formulas and the poor timeliness of simulation for the explosive shock tube, and to quickly obtain the peak pressure of the shock tube used in explosions, a four-layer back propagation (BP) neural network was established to predict the peak pressure in the experimental section of the shock tube. After verifying the grid independence, numerical simulation was used to calculate the peak pressure of the test section of the shock tube, and the simulation data were compared with the experimental data of the shock tube explosion, and the average relative error is 2.49%. After proving the accuracy of the numerical simulation values, the 195 sets of peak pressure obtained from the numerical simulation in the shock tube test section were used as the output layer, and the TNT dosage in the shock tube driving section, aspect ratio of the charge column, and explosion proportional distance were used as the input layer for BP neural network training. To speed up the neural network iterations and increase the prediction accuracy, Adam's algorithm was used as an optimization algorithm for neural network error gradient descent. The results show that the predicted results obtained through the trained neural network are basically consistent with the simulated values, and the average relative error between the predicted results and the numerical values is 3.26%. In contrast to the evaluation metrics obtained using multiple regression analysis (mean absolute error (MAE) of 480 and coefficient of determination (R2) of 0.58), the four-layer BP neural network obtains a MAE of 25.4 and an R2 of 0.99 for the validation set. The BP neural network model can reflect the mapping relationship between the peak pressure of the shock tube explosion and the influencing factors, and improve several times compared with the time required for numerical simulation, so it has the value of practical engineering applications.
2024, 44(5): 055201.
doi: 10.11883/bzycj-2023-0258
Abstract:
Typical sandstones distributed in cold regions were chosen as the research object to study the impact mechanical properties of frozen rock mass and provide reasonable unit explosive consumption for frozen rock mass in blasting excavation engineering in cold regions. Sandstone specimens with different moisture contents were prepared by the controlled mass method. Comprehensive research methods of indoor split Hopkinson pressure bar (SHPB) test and theoretical analysis are used to study the impact mechanical properties and blasting fragmentation energy dissipation characteristics of frozen sandstones. The results are as follows. (1) The dynamic compressive strength and dynamic elastic modulus of frozen sandstone are overall improved compared to the room temperature state, while the peak strain is generally decreased. Comparing the dynamic and static load test results of the mechanical properties of sandstone, the difference between the compressive strength of sandstones with the same physical parameters under dynamic and static loads is small, and the dynamic elastic modulus is significantly higher than the static elastic modulus. (2) The energy dissipation of room-temperature and frozen sandstone specimens decreases gradually with the increase of moisture content, and the energy dissipation of frozen sandstone is higher than that at room temperature. Under the moisture content of 0, 0.25ω, 0.50ω, 0.75ω, and 1.00ω, the energy dissipation of frozen sandstone increased by 21.6%, 64.9%, 80.3%, 78.2%, and 83.3%, respectively compared with the room temperature state. (3) The unit explosive consumption of frozen sandstone with the same moisture content is higher than that at room temperature, with moisture contents of 0, 0.25ω, 0.50ω, 0.75ω and 1.00ω, the unit explosive consumption of sandstone in the frozen state is 20.4%, 61.3%, 60.0%, 55.6%, and 66.7% higher than that in room temperature state. (4) By fitting the unit explosive consumption values of sandstone at room temperature and frozen state, a correction model for the unit consumption of sandstone blasting in different states is obtained, which can provide correction suggestions for the unit explosive consumption for sandstone blasting engineering in cold regions.
Typical sandstones distributed in cold regions were chosen as the research object to study the impact mechanical properties of frozen rock mass and provide reasonable unit explosive consumption for frozen rock mass in blasting excavation engineering in cold regions. Sandstone specimens with different moisture contents were prepared by the controlled mass method. Comprehensive research methods of indoor split Hopkinson pressure bar (SHPB) test and theoretical analysis are used to study the impact mechanical properties and blasting fragmentation energy dissipation characteristics of frozen sandstones. The results are as follows. (1) The dynamic compressive strength and dynamic elastic modulus of frozen sandstone are overall improved compared to the room temperature state, while the peak strain is generally decreased. Comparing the dynamic and static load test results of the mechanical properties of sandstone, the difference between the compressive strength of sandstones with the same physical parameters under dynamic and static loads is small, and the dynamic elastic modulus is significantly higher than the static elastic modulus. (2) The energy dissipation of room-temperature and frozen sandstone specimens decreases gradually with the increase of moisture content, and the energy dissipation of frozen sandstone is higher than that at room temperature. Under the moisture content of 0, 0.25ω, 0.50ω, 0.75ω, and 1.00ω, the energy dissipation of frozen sandstone increased by 21.6%, 64.9%, 80.3%, 78.2%, and 83.3%, respectively compared with the room temperature state. (3) The unit explosive consumption of frozen sandstone with the same moisture content is higher than that at room temperature, with moisture contents of 0, 0.25ω, 0.50ω, 0.75ω and 1.00ω, the unit explosive consumption of sandstone in the frozen state is 20.4%, 61.3%, 60.0%, 55.6%, and 66.7% higher than that in room temperature state. (4) By fitting the unit explosive consumption values of sandstone at room temperature and frozen state, a correction model for the unit consumption of sandstone blasting in different states is obtained, which can provide correction suggestions for the unit explosive consumption for sandstone blasting engineering in cold regions.
2024, 44(5): 055401.
doi: 10.11883/bzycj-2023-0346
Abstract:
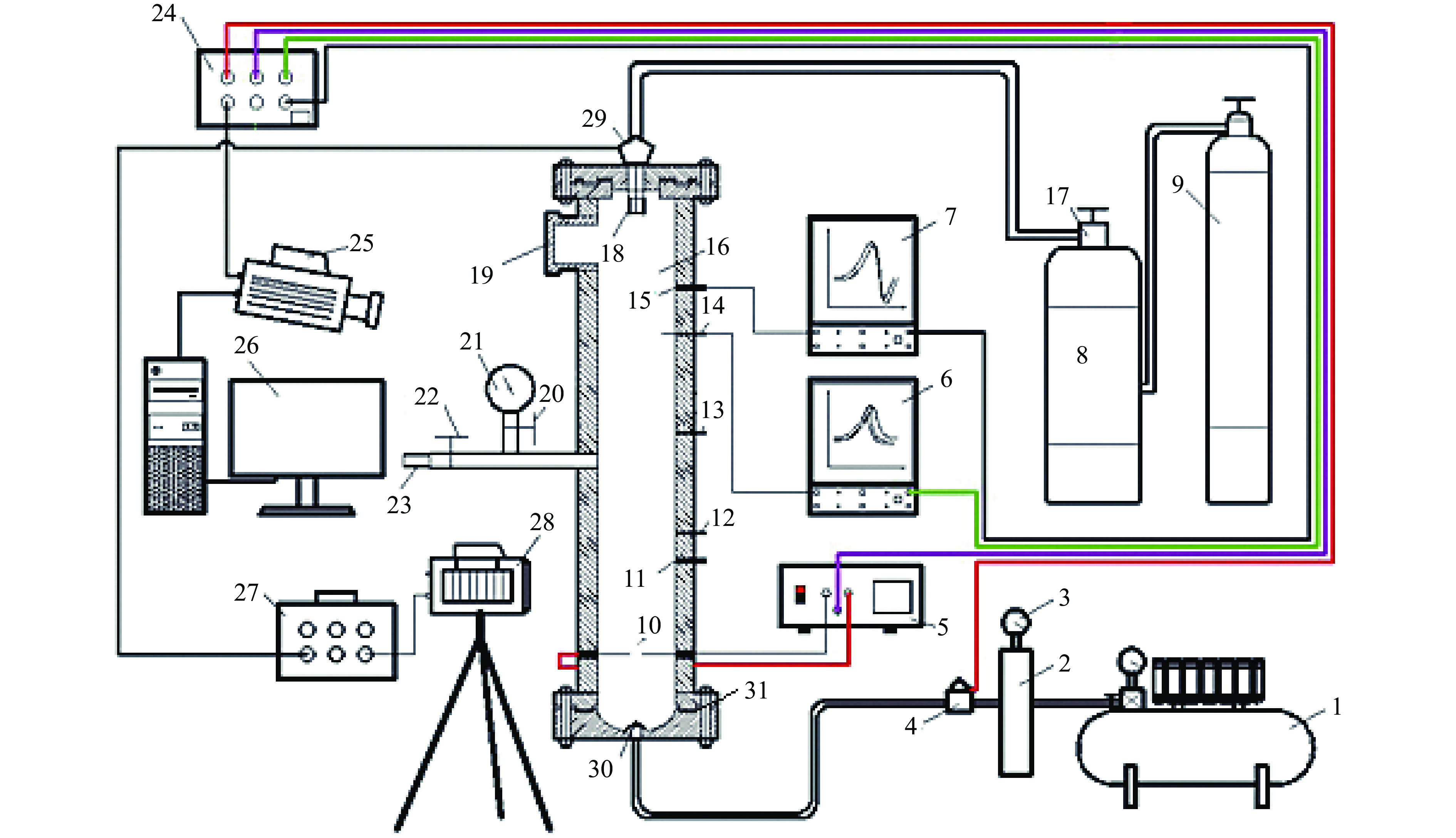
A visual square tube water mist suppression system was independently designed in order to study the inhibition effect of water mist on RDX dust explosion. The system is composed of closed explosion chamber, powder spraying system, ignition system, high-speed photography system, water mist generation system, data acquisition system and time control system. The automatic control of powder injection and ignition is carried out by the time control system. Various experimental conditions such as different nozzle types, nozzle diameters, and atomization pressures were selected. The effect of water mist on RDX dust explosion characteristics was evaluated by comparing the changes in flame propagation dynamics, explosion pressure, and explosion temperature of RDX dust explosion. The results show that the explosion pressure, and temperature of RDX dust clouds increase with the increase of explosive mass. The inhibition effect of water mist on RDX dust explosions varies with different types of nozzles at the same atomization pressure. The water mist sprayed by centrifugal nozzle has the best explosion inhibition effect, and the spiral nozzle has the worst explosion inhibition effect. As the atomization pressure increases, the explosion inhibition effect of water mist enhances. The water mist sprayed by centrifugal nozzle with diameter of 1.5 mm shows the optimal explosion inhibition effect among the five centrifugal nozzles with diameters of 0.8, 1.2, 1.5, 2.0, and 2.4 mm used in the experiment. The explosion pressure and temperature attenuation of water mist on RDX dust explosion increased with the increase of spray pressure. The explosion pressure of RDX dust is only 0.1184 MPa at an atomization pressure of 4 MPa. the peak pressure is reduced by 74.0% compared to the situation without water mist where the explosion pressure of RDX dust is 0.4561 MPa. The explosion temperature is 234 ℃, which is 69.8% lower than the explosion temperature of RDX dust without water mist (774 ℃).
A visual square tube water mist suppression system was independently designed in order to study the inhibition effect of water mist on RDX dust explosion. The system is composed of closed explosion chamber, powder spraying system, ignition system, high-speed photography system, water mist generation system, data acquisition system and time control system. The automatic control of powder injection and ignition is carried out by the time control system. Various experimental conditions such as different nozzle types, nozzle diameters, and atomization pressures were selected. The effect of water mist on RDX dust explosion characteristics was evaluated by comparing the changes in flame propagation dynamics, explosion pressure, and explosion temperature of RDX dust explosion. The results show that the explosion pressure, and temperature of RDX dust clouds increase with the increase of explosive mass. The inhibition effect of water mist on RDX dust explosions varies with different types of nozzles at the same atomization pressure. The water mist sprayed by centrifugal nozzle has the best explosion inhibition effect, and the spiral nozzle has the worst explosion inhibition effect. As the atomization pressure increases, the explosion inhibition effect of water mist enhances. The water mist sprayed by centrifugal nozzle with diameter of 1.5 mm shows the optimal explosion inhibition effect among the five centrifugal nozzles with diameters of 0.8, 1.2, 1.5, 2.0, and 2.4 mm used in the experiment. The explosion pressure and temperature attenuation of water mist on RDX dust explosion increased with the increase of spray pressure. The explosion pressure of RDX dust is only 0.1184 MPa at an atomization pressure of 4 MPa. the peak pressure is reduced by 74.0% compared to the situation without water mist where the explosion pressure of RDX dust is 0.4561 MPa. The explosion temperature is 234 ℃, which is 69.8% lower than the explosion temperature of RDX dust without water mist (774 ℃).
2024, 44(5): 055402.
doi: 10.11883/bzycj-2023-0322
Abstract:
Aiming at the problem that the traditional single-phase explosion suppression medium is not effective, it is proposed that the gas-solid two-phase medium cooperates with different explosion suppression principles to achieve efficient and rapid suppression of gas explosion. The method of using NaHCO3 powder and CO2 gas to synergistically suppress gas explosion was studied. The standard 20 L spherical explosion test device was selected, and the configuration optimization of reactants, transition states and products in the microscopic reaction mechanism of methane explosion was carried out by DFT (density funchtion theory). On this basis, the subsequent calculation was carried out. The results show that the single-phase medium with a volume fraction of 16% CO2 and 0.35 g/L NaHCO3 has an excellent effect on suppressing gas explosion, but the presence of 0.1 g/L powder will increase the maximum boosting rate by 17.9%. Compared with single-phase CO2 and single-phase NaHCO3 powder, the gas-solid two-phase medium explosion suppression phase reduces the maximum explosion pressure. When 8% volume fraction CO2 is used in conjunction with 0.125 g/L powder, the maximum explosion pressure of gas explosion is reduced by 72.42%, and the maximum pressure rise rate is reduced to 2.345 MPa/s. The suppression effect is optimal; however, when 4% volume fraction CO2 cooperates with 0.05 g/L powder, the maximum explosion pressure rise rate increases by 93.68%, and the reaction shows a certain intensification phenomenon. The quantum chemical calculation shows that in the process of gas-solid two-phase medium synergistic inhibition of gas explosion, the decomposition of NaHCO3 powder will absorb the heat in the reaction system, and its decomposition products will preferentially react with OH· and H· in the mixed system, hindering the generation of O·, inhibiting the chain process in the CH2O stage, and then inhibiting the transfer process of chain reaction. The CO2 produced by the decomposition of NaHCO3 powder and the CO2 in the mixed system dilute the volume fraction of methane in the mixed system, reduce the probability of collision between methane and oxygen molecules, and effectively inhibit the reaction process.
Aiming at the problem that the traditional single-phase explosion suppression medium is not effective, it is proposed that the gas-solid two-phase medium cooperates with different explosion suppression principles to achieve efficient and rapid suppression of gas explosion. The method of using NaHCO3 powder and CO2 gas to synergistically suppress gas explosion was studied. The standard 20 L spherical explosion test device was selected, and the configuration optimization of reactants, transition states and products in the microscopic reaction mechanism of methane explosion was carried out by DFT (density funchtion theory). On this basis, the subsequent calculation was carried out. The results show that the single-phase medium with a volume fraction of 16% CO2 and 0.35 g/L NaHCO3 has an excellent effect on suppressing gas explosion, but the presence of 0.1 g/L powder will increase the maximum boosting rate by 17.9%. Compared with single-phase CO2 and single-phase NaHCO3 powder, the gas-solid two-phase medium explosion suppression phase reduces the maximum explosion pressure. When 8% volume fraction CO2 is used in conjunction with 0.125 g/L powder, the maximum explosion pressure of gas explosion is reduced by 72.42%, and the maximum pressure rise rate is reduced to 2.345 MPa/s. The suppression effect is optimal; however, when 4% volume fraction CO2 cooperates with 0.05 g/L powder, the maximum explosion pressure rise rate increases by 93.68%, and the reaction shows a certain intensification phenomenon. The quantum chemical calculation shows that in the process of gas-solid two-phase medium synergistic inhibition of gas explosion, the decomposition of NaHCO3 powder will absorb the heat in the reaction system, and its decomposition products will preferentially react with OH· and H· in the mixed system, hindering the generation of O·, inhibiting the chain process in the CH2O stage, and then inhibiting the transfer process of chain reaction. The CO2 produced by the decomposition of NaHCO3 powder and the CO2 in the mixed system dilute the volume fraction of methane in the mixed system, reduce the probability of collision between methane and oxygen molecules, and effectively inhibit the reaction process.


PDF
Cited by
Read OL