Effects of roughness on dynamic compression propertiesof metallic materials by SHPB technique
-
摘要: 有效消减样品端面摩擦力是保证分离式霍普金森压杆(split Hopkinson pressure bar, SHPB)实验结果有效性和准确性的必要条件。为了研究样品粗糙度和润滑效果对端面摩擦力和最终实验结果的影响,以应变率效应不敏感且性能稳定的紫铜为研究对象,通过机械加工配合酸蚀的方法制备了3种典型表面粗糙度的紫铜样品,分别在二硫化钼(MoS2)充分润滑和完全不润滑的条件下各自开展高精度的SHPB重复动态压缩实验研究。结果表明,通常认为能够有效消减金属样品端面摩擦力的MoS2仅能够在样品粗糙度不大于0.8 μm的情况下起到较好的润滑效果,随着紫铜样品粗糙度的增加,MoS2的润滑效果不断降低,端面摩擦力不断增大,实验结果的分散性也显著增加。样品端面粗糙度为1.6 μm时,MoS2已不能有效消减端面摩擦力;样品端面粗糙度达到3.2 μm时,MoS2的润滑效果几乎为零。SHPB实验中使用MoS2润滑金属样品时,压杆和样品实验端面的粗糙度需达到0.8 μm;腐蚀液处理后的金属样品外表面粗糙度难以达到0.8 μm,实验过程中需对样品端面进行比MoS2润滑效果更好的润滑处理,或对实验结果进行扣除端面摩擦力的修正才能够保证实验结果的有效性和准确性。Abstract: Effective reduction of end surface friction is necessary to ensure the validity and accuracy of the split Hopkinson pressure bar (SHPB) experimental results. In order to study the effects of sample roughness and lubrication efficiency on the end surface friction and the final experimental results, copper was selected as a research material due to its steady mechanical properties and strain rate insensitivity of constitutive relation. In order to minimize the effects of end friction, all pressure bars with the diameter of 10 mm had a surface roughnesses of 0.8 μm. Copper samples of three typical surface roughnesses were prepared by mechanical processing and corrosion, then high precision repeat dynamic compression experiments by the SHPB were carried out under the conditions of full lubrication with MoS2 and complete non-lubrication, respectively. The results show that MoS2 can only play a good lubrication when the end roughness of the copper samples does not exceed 0.8 μm, then the lubricating efficiency of MoS2 decreases rapidly with increasing the end roughness of the copper samples, which results in a significant increase in the friction force and the dispersion of experimental data. MoS2 could not effectively reduce the friction force when the roughness of samples is 1.6 μm, and the lubricating efficiency was almost zero when the roughness is 3.2 μm, although the MoS2 has been believed to be an effective lubrication used in dynamic compression experiments by the SHPB for a long time. The end roughness of the pressure bars and samples should reach 0.8 μm when MoS2 is used as lubrication for the SHPB experiments, however, the end roughness of the samples treated by a corrosive solution is difficult to reach 0.8 μm. Therefore, it is necessary to lubricate the end of the samples better than MoS2, or to modify the experimental data by deducting the friction force to ensure the validity and accuracy of the SHPB experimental results.
-
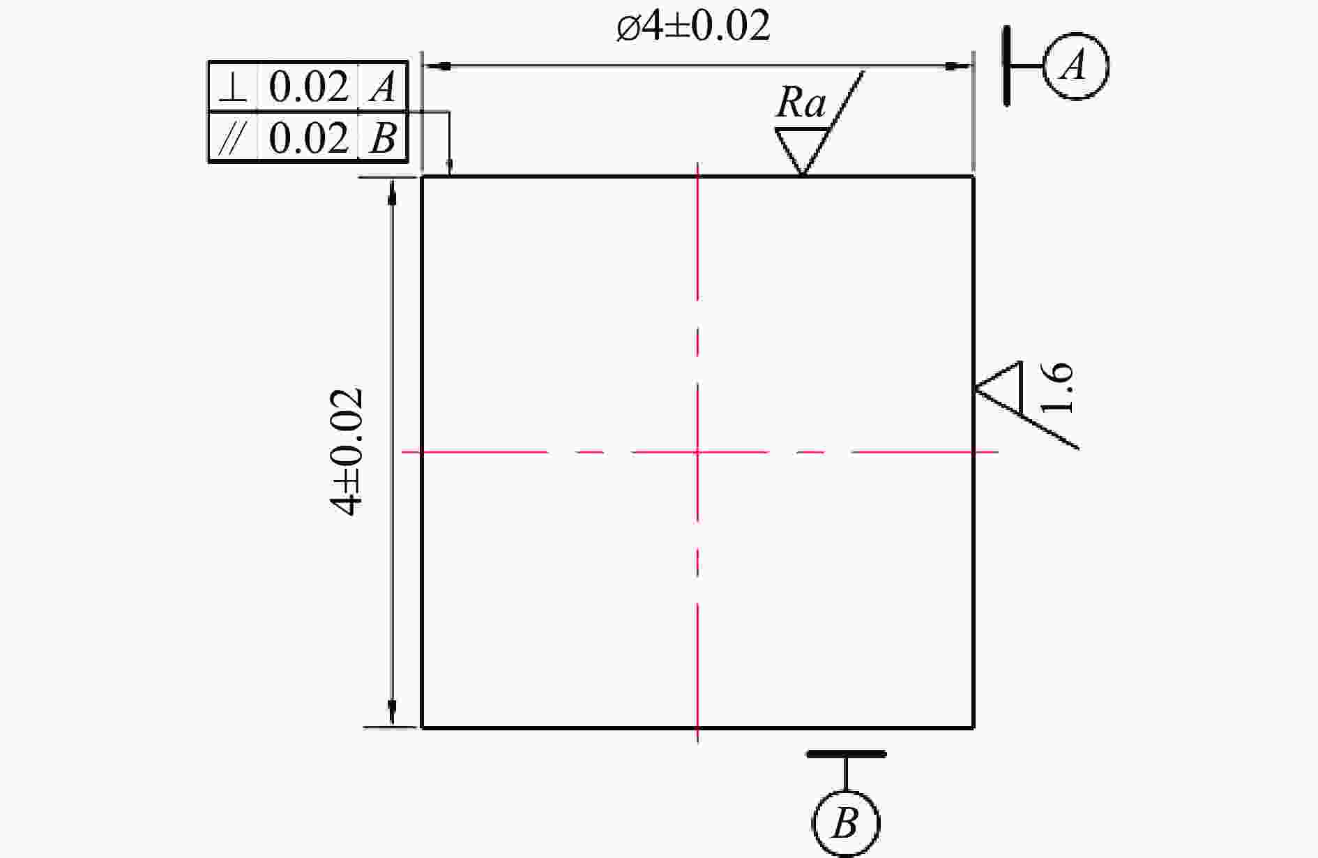
表 1 样品尺寸和弹速实测值以及回收样品形状
Table 1. Measured values of sample size and velocity, and the shapes of recovered samples
样品 直径/mm 长度/mm 弹速/(m∙s−1) 回收样品形状 Cu4×4-0.8-RH-1 4.003 4.014 17.07 标准圆柱 Cu4×4-0.8-RH-2 4.000 4.012 17.11 Cu4×4-0.8-RH-3 4.003 4.007 17.04 Cu4×4-0.8-WRH-1 4.004 4.010 17.03 鼔形 Cu4×4-0.8-WRH-2 4.000 4.014 17.00 Cu4×4-0.8-WRH-3 4.003 4.016 17.01 Cu4×4-1.6-RH-1 4.002 4.016 17.03 略带鼓形 Cu4×4-1.6-RH-2 3.998 4.022 17.02 Cu4×4-1.6-RH-3 3.998 4.018 17.04 Cu4×4-1.6-WRH-1 4.004 4.013 17.13 鼔形 Cu4×4-1.6-WRH-2 3.987 4.006 17.18 Cu4×4-1.6-WRH-3 3.990 4.004 17.13 Cu4×4-3.2-RH-1 3.975 3.982 17.00 显著鼔形 Cu4×4-3.2-RH-2 3.990 4.005 16.99 Cu4×4-3.2-RH-3 3.974 3.990 16.99 Cu4×4-3.2-WRH-1 3.986 4.002 17.15 显著鼔形 Cu4×4-3.2-WRH-2 3.980 3.998 17.32 Cu4×4-3.2-WRH-3 3.980 4.004 17.04 -
[1] HOPKINSON B. A method of measuring the pressure produced in the detonation of high, explosives or by the impact of bullets [J]. Philosophical Transactions of the Royal Society A: Mathematical, Physical and Engineering Sciences, 1914, 213: 437–456. DOI: 10.1098/rsta.1914.0010. [2] KOLSKY H. An investigation of the mechanical properties of materials at very high rates of loading [J]. Proceedings of the Physical Society: Section B, 1949(62): 676–700. DOI: 10.1088/0370-1301/62/11/302. [3] PRABHU S, TONG Q. Simulation of split Hopkinson pressure bar tests on sands with low water content [J]. Journal of Engineering Mechanics, 2020, 146(8): 04020082. DOI: 10.1061/(ASCE)EM.1943-7889.0001819. [4] LIANG W, CHEN R, ZHANG Y W. A dynamic calibration method of free-field pressure sensor based on Hopkinson bar [J]. AIP Advances, 2020, 10(7): 075223. DOI: 10.1063/5.0008383. [5] 徐松林, 单俊芳, 王鹏飞, 等. 三轴应力状态下混凝土的侵彻性能研究 [J]. 爆炸与冲击, 2019, 39(7): 071101. DOI: 10.11883/bzycj-2019-0034.XU S L, SHAN J F, WANG P F, et al. Penetration performance of concrete under triaxial stress [J]. Explosion and Shock Waves, 2019, 39(7): 071101. DOI: 10.11883/bzycj-2019-0034. [6] 舒旗, 董新龙, 俞鑫炉. 基于Hopkinson压杆的M型试样动态拉伸实验方法研究 [J]. 爆炸与冲击, 2020, 40(8): 084101. DOI: 10.11883/bzycj-2019-0433.SHU Q, DONG X L, YU X L. A dynamic tensile method for M-shaped specimen loaded by Hopkinson pressure bar [J]. Explosion and Shock Waves, 2020, 40(8): 084101. DOI: 10.11883/bzycj-2019-0433. [7] ZHANG C, SUO T, TAN W L, et al. An experimental method for determination of dynamic mechanical behavior of materials at high temperatures [J]. International Journal of Impact Engineering, 2017, 102(1): 27–35. DOI: 10.1016/j.ijimpeng.2016.12.002. [8] 武智慧, 牛公杰, 郝玉风, 等. HTPB复合底排药压缩屈服应力模型研究 [J]. 力学学报, 2019, 51(6): 1810–1819. DOI: 10.6052/0459-1879-19-200.WU Z H, NIU G J, HAO Y F, et al. Research on modeling of compressive yield behavior for HTPB composite base bleed grain [J]. Chinese Journal of Theoretical and Applied Mechanics, 2019, 51(6): 1810–1819. DOI: 10.6052/0459-1879-19-200. [9] YU X, CHEN L, FANG Q. et al. Determination of attenuation effects of coral sand on the propagation of impact-induced stress wave [J]. International Journal of Impact Engineering, 2019, 125(1): 63–82. DOI: 10.1016/j.ijimpeng.2018.11.004. [10] CHEN W N, SONG B. Split Hopkinson (Kolsky) bar [M]. New York: Springer, 2011. [11] 卢芳云, 陈荣, 林玉亮, 等. 霍普金森杆实验技术 [M]. 北京: 科学出版社, 2013. [12] 杨洪升, 李玉龙, 周风华. 梯形应力脉冲在弹性杆中的传播过程和几何弥散 [J]. 力学学报, 2019, 51(6): 1820–1829. DOI: 10.6052/0459-1879-19-183.YANG H S, LI Y L, ZHOU F H. The propagation process and the geometric dispersion of a trapezoidal stress pulse in an elastic rod [J]. Chinese Journal of Theoretical and Applied Mechanics, 2019, 51(6): 1820–1829. DOI: 10.6052/0459-1879-19-183. [13] 王晓燕, 卢芳云, 林玉亮. SHPB实验中端面摩擦效应研究 [J]. 爆炸与冲击, 2006, 26(2): 134–139. DOI: 10.11883/1001-1455(2006)02-0134-06.WANG X Y, LU F Y LIN Y L. Study on interfacial friction effect in the SHPB tests [J]. Explosion and Shock Waves, 2006, 26(2): 134–139. DOI: 10.11883/1001-1455(2006)02-0134-06. [14] 肖大武, 邱志聪, 巫祥超, 等. 金属铍的压缩变形行为 [J]. 爆炸与冲击, 2016, 36(2): 285–288. DOI: 10.11883/1001-1455(2016)02-0285-04.XIAO D W, QIU Z C, WU X C, et al. Compressive deformation behaviors of beryllium [J]. Explosion and Shock Waves, 2016, 36(2): 285–288. DOI: 10.11883/1001-1455(2016)02-0285-04. [15] 张鹏程, 田黎明. 车削加工对铍组织与性能的损伤 [J]. 稀有金属, 2001, 25(2): 90–93.ZHANG P C, TIAN L M. Effects of lathe on microstructure and mechanical properties of beryllium [J]. Chinese Journal of Rare Metals, 2001, 25(2): 90–93. [16] 张鹏程, 邹觉生, 董平, 等. 消除铍机加工表层损伤方法的研究 [J]. 有色金属, 2001, 53(1): 60–63.ZHANG P C, ZOU J S, DONG P, et al. Study on machine damage of beryllium and its relieving methods [J]. Nonferrous Metals, 2001, 53(1): 60–63. [17] KLIMENKOV M, VLADIMIROV P, JÄNTSCH U, et al. New insights into microstructure of irradiated beryllium based on experiments and computer simulations [J]. Scientific Reports, 2020, 10(1): 8042. DOI: 10.1038/s41598-020-64654-5. [18] ZIMBER N, VLADIMIROV P, KLIMENKOV M, et al. Investigation of a high-dose irradiated beryllium microstructure [J]. Journal of Nuclear Materials, 2020, 540(1): 152374. DOI: 10.1016/j.jnucmat.2020.152374. [19] BLUMENTHAL W R, ABELN S P, MATAYA M C, et al. Dynamic behavior of beryllium as a function of texture: LA-UR-98-4577 [R]. Washington D C: Los Alamos National Laboratory, 1999. [20] LI W, LI D Y. Influence of surface morphology on corrosion and electronic behavior [J]. Acta Materialia, 2006, 54(2): 445–452. DOI: 10.1016/j.actamat.2005.09.017. [21] LI Y, FRANK CHENG F. Effect of surface finishing on early-stage corrosion of a carbon steel studied by electrochemical and atomic force microscope characterizations [J]. Applied Surface Science, 2016, 336(3): 95–103. DOI: 10.1016/j.apsusc.2016.01.081. [22] 李智, 吕胜利, 刘转娥, 等. 2A12铝合金在EXCO溶液中腐蚀损伤形貌演化分析 [J]. 装备环境工程, 2019, 16(8): 80–85. DOI: 10.7643/issn.1672-9242.2019.08.0015.LI Z, LYU S L, LIU Z E, et al. Corrosion damage morphology evolution of 2A12 aluminum alloy in EXCO solution [J]. Equipment Environmental Engineering, 2019, 16(8): 80–85. DOI: 10.7643/issn.1672-9242.2019.08.0015. [23] KIM J A, KIM J W, KANG C S, et al. Metrological atomic force microscope using a large range scanning dual stage [J]. International Journal of Precision Engineering and Manufacturing, 2009, 10(5): 11–17. DOI: 10.1007/s12541-009-0087-z. [24] DAVID E, ELIEZER G, EHUD G, et al. Atomic force microscope-based meniscus-confined three-dimensional electrodeposition [J]. Advanced Materials Technologies, 2020, 5(2): 1900827. DOI: 10.1002/admt.201900827. [25] BEWSHER S R, LEIGHTON M, MOHAMMADPOUR M, et al. Boundary friction characterisation of a used cylinder liner subject to fired engine conditions and surface deposition [J]. Tribology International, 2019, 131(1): 424–437. DOI: 10.1016/j.triboint.2018.11.005. [26] ZHANG Z M, WANG J Q, HAN E H, et al. Characterization of different surface states and its effects on the oxidation behaviours of alloy 690TT [J]. Journal of Materials Science and Technology, 2012, 28(4): 353–361. DOI: 10.1016/S1005-0302(12)60067-X. [27] DONG L J, MA C, PENG Q J, et al. Microstructure and stress corrosion cracking of a SA508-309L/308L-316L dissimilar metal weld joint in primary pressurized water reactor environment [J]. Journal of Materials Science and Technology, 2020, 44: 1–14. DOI: 10.1016/j.jmst.2019.08.035. [28] WANG S S, FRANKEL G S, JIANG J T, et al. Mechanism of localized breakdown of 7000 series aluminum alloys [J]. Journal of the Electrochemical Society, 2013, 160(10): C493–C502. DOI: 10.1149/2.080310jes. [29] LU F Y, LIN Y L, WANG X Y, et al. A theoretical analysis about the influence of interfacial friction in SHPB tests [J]. International Journal of Impact Engineering, 2015, 79(1): 95–101. DOI: 10.1016/j.ijimpeng.2014.10.008. [30] CAO S J, HOU X M, RONG Q. Dynamic compressive properties of reactive powder concrete at high temperature: a review [J]. Cement and Concrete Composites, 2020, 110(1): 103568. DOI: 10.1016/j.cemconcomp.2020.103568. [31] HUANG B F, XIAO Y. Compressive impact tests of lightweight concrete with 155-mm-diameter spilt Hopkinson pressure bar [J]. Cement and Concrete Composites, 2020, 114(2): 103816. DOI: 10.1016/j.cemconcomp.2020.103816. -


下载: