• ISSN 1001-1455  CN 51-1148/O3
  • EI、Scopus、CA、JST、EBSCO、DOAJ收录
  • 力学类中文核心期刊
  • 中国科技核心期刊、CSCD统计源期刊

不同应变率下皮质骨压缩力学实验与本构模型

徐诚意 刘坤 康宝 宋杰 李忠新 吴志林

徐诚意, 刘坤, 康宝, 宋杰, 李忠新, 吴志林. 不同应变率下皮质骨压缩力学实验与本构模型[J]. 爆炸与冲击, 2025, 45(7): 071426. doi: 10.11883/bzycj-2024-0513
引用本文: 徐诚意, 刘坤, 康宝, 宋杰, 李忠新, 吴志林. 不同应变率下皮质骨压缩力学实验与本构模型[J]. 爆炸与冲击, 2025, 45(7): 071426. doi: 10.11883/bzycj-2024-0513
XU Chengyi, LIU Kun, KANG Bao, SONG Jie, LI Zhongxin, WU Zhilin. Study on compressive mechanical tests and constitutive models of cortical bone under different strain rates[J]. Explosion And Shock Waves, 2025, 45(7): 071426. doi: 10.11883/bzycj-2024-0513
Citation: XU Chengyi, LIU Kun, KANG Bao, SONG Jie, LI Zhongxin, WU Zhilin. Study on compressive mechanical tests and constitutive models of cortical bone under different strain rates[J]. Explosion And Shock Waves, 2025, 45(7): 071426. doi: 10.11883/bzycj-2024-0513

不同应变率下皮质骨压缩力学实验与本构模型

doi: 10.11883/bzycj-2024-0513
基金项目: 国家自然科学基金(12172180, 11602025)
详细信息
    作者简介:

    徐诚意(1999- ),男,硕士研究生,xuchengyi@njust.edu.cn

    通讯作者:

    刘 坤(1986- ),男,博士,副教授,liukun@njust.edu.cn

  • 中图分类号: O347.3

Study on compressive mechanical tests and constitutive models of cortical bone under different strain rates

  • 摘要: 皮质骨作为人体骨骼系统的重要组成部分,能有效分散与吸收外部冲击力,保护内部骨髓腔、周围软组织和器官不受损伤。为研究冲击载荷作用下皮质骨的力学响应,借助万能材料试验机和分离式霍普金森压杆装置对猪皮质骨开展了不同应变率下的准静态与动态压缩实验。采用超景深三维显微系统和数字图像相关技术观察了皮质骨的压缩形变特征,利用含损伤的黏弹性本构模型对实验数据进行了拟合,确定了模型中的本构参数。结果表明,皮质骨在压缩过程中表现为骨质裂纹的产生与扩展,其力学性能具有明显的应变率相关性,弹性模量、屈服应力和压缩强度随应变率的增大而显著提高。准静态加载时,应力-应变曲线包括弹性变形和塑性变形阶段;高应变率加载时,应力-应变曲线在应变小于0.2%时为弹性,随着压缩量的增加呈现高度的非线性,无显著塑性变形,表现出一定的黏弹性特征。实验曲线与本构模型理论曲线的对比表明,理论值与实验值的误差较小,本构模型能准确描述皮质骨在不同应变率下的压缩力学行为。研究成果可为人体冲击伤的救治与防护设计提供理论参考。
  • 图  1  取样位置

    Figure  1.  Sampling position

    图  2  试件制作过程

    Figure  2.  Specimen preparation process

    图  3  准静态实验原理

    Figure  3.  Principles of quasi-static testing

    图  4  万能材料试验机

    Figure  4.  Universal testing machine

    图  5  超景深光学显微镜系统

    Figure  5.  Super depth of field optical microscope system

    图  6  SHPB实验原理示意图

    Figure  6.  Schematic diagram of Split Hopkinson Pressure Bar experimental setup

    图  7  SHPB实验装置

    Figure  7.  Split Hopkinson Pressure Bar apparatus

    图  8  三维全场分析系统测试现场

    Figure  8.  Testing site for 3D full-field analysis system

    图  9  试件表面的散斑

    Figure  9.  Speckle pattern on the surface of the specimen

    图  10  皮质骨的准静态压缩过程

    Figure  10.  Quasi-static compression process of cortical bone

    图  11  准静态压缩时的应力-应变曲线

    Figure  11.  Stress-strain curves during quasi-static compression

    图  12  准静态压缩时试件破坏形式

    Figure  12.  Specimen failure modes under quasi-static compression

    图  13  破坏面的表面结构

    Figure  13.  Surface structure of the fracture plane

    图  14  应变率为1 800 s−1时整形后的入射、反射和透射波形

    Figure  14.  Incident, reflected, and transmitted waveforms after shaping at a strain rate of 1 800 s−1

    图  15  应变率为1 800 s−1时的应力平衡图

    Figure  15.  Stress equilibrium diagram at a strain rate of 1 800 s−1

    图  16  动态压缩应力-应变曲线

    Figure  16.  Dynamic compression stress-strain curves

    图  17  应变率为900 s−1时皮质骨的变形过程

    Figure  17.  Deformation process at a strain rate of 900 s−1

    图  18  应变率为1 800 s−1时皮质骨的变形过程

    Figure  18.  Deformation process of at a strain rate of 1 800 s−1

    图  19  应变率为900 s−1时的帧数分布

    Figure  19.  Frame distribution at strain rate 900 s−1

    图  20  应变率为1 800 s−1时的帧数分布

    Figure  20.  Frame distribution at strain rate 1 800 s−1

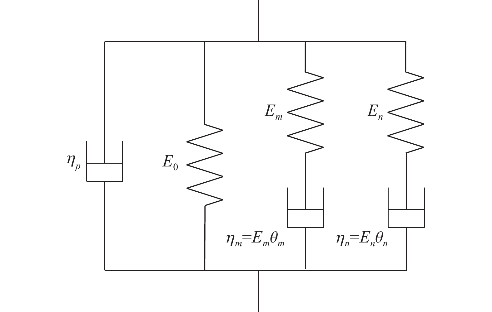
    图  21  Cloete黏弹性本构模型[17]

    Figure  21.  Cloete’s viscoelastic constitutive model[17]

    图  22  低应变率和高应变率时本构模型示意图

    Figure  22.  Schematic illustration of the constitutive model at low strain rates and high strain rates

    图  23  拟合曲线与实验曲线对比

    Figure  23.  Comparison of fitted curve with experimental curve

    表  1  压杆材料参数

    Table  1.   Material parameters of the pressure bar

    材料 ρ0/(kg·m−3) E0/GPa c0/(m·s−1) I0/(kg·m−2·s−1)
    LC4硬铝合金 2.7×103 70 5.05×103 1.36×107
    下载: 导出CSV

    表  2  含损伤的黏弹性本构模型参数

    Table  2.   Parameters of the viscoelastic constitutive model with damage

    D0 a b E0 /MPa ηp /(MPa·s) Em /MPa θm /s En /MPa θn /s m n p
    1.2 1.1 0.7 2.3×103 0.001 2.1×103 5.7×10−6 2.0×104 14.8 0.99 1.0 0.99
    下载: 导出CSV

    表  3  拟合决定系数$R^2 $

    Table  3.   Coefficient of determination $R^2 $

    $ \dot \varepsilon $/s−1 0.001 0.01 0.1 300 450 900 2200
    R2 0.997 0.999 0.982 0.996 0.990 0.984 0.998
    下载: 导出CSV
  • [1] COWIN S C. Bone mechanics handbook [M]. 2nd ed. Boca Raton: CRC Press, 2001: 1–4. DOI: 10.1201/b14263.
    [2] 张冠军, 邓先攀, 杨洁, 等. 皮质骨试样制备及其材料参数识别方法研究 [J]. 中国生物医学工程学报, 2017, 36(1): 75–82. DOI: 10.3969/j.issn.0258-8021.2017.01.010.

    ZHANG G J, DENG X P, YANG J, et al. A study on cortical bone specimens preparation and method to calculate the mechanical parameters [J]. Chinese Journal of Biomedical Engineering, 2017, 36(1): 75–82. DOI: 10.3969/j.issn.0258-8021.2017.01.010.
    [3] 李昕, 陈利, 张庆明, 等. 猪下肢骨骼的冲击压缩试验研究 [J]. 中国测试, 2016, 42(10): 63–67. DOI: 10.11857/j.issn.1674-5124.2016.10.012.

    LI X, CHEN L, ZHANG Q M, et al. Research on shock compression test of pig’s lower limb [J]. China Measurement & Test, 2016, 42(10): 63–67. DOI: 10.11857/j.issn.1674-5124.2016.10.012.
    [4] SANBORN B, FOSTER M. Effect of loading rate and orientation on the compressive response of human cortical bone [R]. Army Research Laboratory Technical Report, 2008. ARL-TR-6907.
    [5] KULIN R M, JIANG F C, VECCHIO K S. Loading rate effects on the R-curve behavior of cortical bone [J]. Acta Biomaterialia, 2011, 7(2): 724–732. DOI: 10.1016/j.actbio.2010.09.027.
    [6] 安兵兵, 李凯, 张东升. 皮质骨断裂力学行为的实验研究 [J]. 力学学报, 2010, 42(6): 1164–1171. DOI: 10.6052/0459-1879-2010-6-lxxb2009-604.

    AN B B, LI K, ZHANG D S. An experimental approach on fracture behavior of cortical bones [J]. Chinese Journal of Theoretical and Applied Mechanics, 2010, 42(6): 1164–1171. DOI: 10.6052/0459-1879-2010-6-lxxb2009-604.
    [7] 曾煊. 适用于碰撞人体有限元模型的下肢皮质骨材料率变性实验研究 [D]. 重庆: 重庆理工大学, 2019: 9–53.

    ZENG X. Experiment research on strain rate dependency of material properties of lower limb cortical bone applied for human safety finite element models [D]. Chongqing: Chongqing University of Technology, 2019: 9–53.
    [8] 雷建银. 不同工况下骨盆的生物力学响应研究 [D]. 太原: 太原理工大学, 2018: 69–85.

    LEI J Y. The biomechanical response research of pelvis under different working conditions [D]. Taiyuan: Taiyuan University of Technology, 2018: 69–85.
    [9] 顾红跃. 长骨力学特性沿轴向和周向的变化研究 [D]. 长沙: 湖南大学, 2021: 33–45. DOI: 10.27135/d.cnki.ghudu.2021.003644.

    GU H Y. Study on axial and circumferential variations of mechanical properties of long bone [D]. Changsha: Hunan University, 2021: 33–45. DOI: 10.27135/d.cnki.ghudu.2021.003644.
    [10] 翟乃川. 皮质骨微观结构和骨矿物密度对其力学特性的影响研究 [D]. 长沙: 湖南大学, 2018: 19–32.

    ZHAI N C. Effect of microstructure and bone mineral density on mechanical properties of cortical bone [D]. Changsha: Hunan University, 2018: 19–32.
    [11] 蔡志华, 周培月, 汪剑辉, 等. 骨组织准静态和动态压缩试验与本构模型研究 [J]. 实验力学, 2021, 36(3): 389–396. DOI: 10.7520/1001-4888-21-033.

    CAI Z H, ZHOU P Y, WANG J H, et al. Study on quasi-static and dynamic compression tests and constitutive model of bone tissue [J]. Journal of Experimental Mechanics, 2021, 36(3): 389–396. DOI: 10.7520/1001-4888-21-033.
    [12] 张佃元, 于晨, 郝文勇, 等. 爆炸冲击载荷下猪肺部的损伤特性 [J]. 爆炸与冲击, 2024, 44(12): 121433. DOI: 10.11883/bzycj-2024-0262.

    ZHANG D Y, YU C, HAO W Y, et al. Injury properties of porcine lung under blast load [J]. Explosion and Shock Waves, 2024, 44(12): 121433. DOI: 10.11883/bzycj-2024-0262.
    [13] LIU K, WU Z L, REN H L, et al. Strain rate sensitive compressive response of gelatine: experimental and constitutive analysis [J]. Polymer Testing, 2017, 64: 254–266. DOI: 10.1016/j.polymertesting.2017.09.008.
    [14] 余同希, 邱信明. 冲击动力学 [M]. 北京: 清华大学出版社, 2011: 39–40.

    YU T X, QIU X M. Introduction to impact dynamics [M]. Beijing: Tsinghua University Press, 2011: 39–40.
    [15] 李国和, 王敏杰. 淬硬45钢在高温、高应变率下的动态力学性能及本构关系 [J]. 爆炸与冲击, 2010, 30(4): 433–438. DOI: 10.11883/1001-1455(2010)04-0433-06.

    LI G H, WANG M J. Dynamic mechanical properties and constitutive relationship of hardened steel (45HRC) under high temperature and high strain rate [J]. Explosion and Shock Waves, 2010, 30(4): 433–438. DOI: 10.11883/1001-1455(2010)04-0433-06.
    [16] 王尚城, 王冬梅, 汪方, 等. 人骨拉伸和压缩力学的性能测试 [J]. 中国组织工程研究, 2013, 17(7): 1180–1184. DOI: 10.3969/.issn.2095-4344.2013.07.008.

    WANG S C, WANG D M, WANG F, et al. Tensile and compressive mechanical property of human bone tissue [J]. Chinese Journal of Tissue Engineering Research, 2013, 17(7): 1180–1184. DOI: 10.3969/.issn.2095-4344.2013.07.008.
    [17] CLOETE T J, PAUL G, ISMAIL E B. Hopkinson bar techniques for the intermediate strain rate testing of bovine cortical bone [J]. Philosophical Transactions of the Royal Society A: Mathematical, Physical and Engineering Sciences, 2014, 372(2015): 20130210. DOI: 10.1098/rsta.2013.0210.
    [18] 王礼立, 董新龙, 孙紫建. 高应变率下计及损伤演化的材料动态本构行为 [J]. 爆炸与冲击, 2006, 26(3): 193–198. DOI: 10.11883/1001-1455(2006)03-0193-06.

    WANG L L, DONG X L, SUN Z J. Dynamic constitutive behavior of materials at high strain rate taking account of damage evolution [J]. Explosion and Shock Waves, 2006, 26(3): 193–198. DOI: 10.11883/1001-1455(2006)03-0193-06.
    [19] 孙朝翔, 鞠玉涛, 郑亚, 等. 双基推进剂的高应变率力学特性及其含损伤ZWT本构 [J]. 爆炸与冲击, 2013, 33(5): 507–512. DOI: 10.11883/1001-1455(2013)05-0507-06.

    SUN C X, JU Y T, ZHENG Y, et al. Mechanical properties of double-base propellant at high strain rates and its damage-modified ZWT constitutive model [J]. Explosion and Shock Waves, 2013, 33(5): 507–512. DOI: 10.11883/1001-1455(2013)05-0507-06.
    [20] 王礼立. 爆炸/冲击动力学学习研究中的若干疑惑 [J]. 爆炸与冲击, 2021, 41(1): 011401. DOI: 10.11883/bzycj-2020-0415.

    WANG L L. Some doubts in studying explosion/impact dynamics [J]. Explosion and Shock Waves, 2021, 41(1): 011401. DOI: 10.11883/bzycj-2020-0415.
  • 加载中
图(23) / 表(3)
计量
  • 文章访问数:  283
  • HTML全文浏览量:  123
  • PDF下载量:  63
  • 被引次数: 0
出版历程
  • 收稿日期:  2024-12-31
  • 修回日期:  2025-04-15
  • 网络出版日期:  2025-04-16
  • 刊出日期:  2025-07-05

目录

    /

    返回文章
    返回